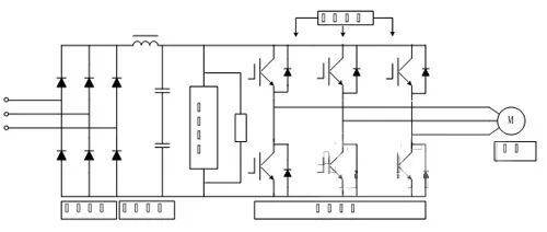
如图2所示。在变频器主回路直流母线两端加制动电阻和制动单元。在加装变频器后,电动机进入再生发电状态时,其产生的电能没有逆向流回电网的通路,所以势必引起主变频器主回路直流母线电压升高。此时必须用电阻来就地消耗,这就是我们在变频器上必须使用制动单元和制动电阻的原因。CHV100(18.5KW以下机型内置制动单元)系列可以选配制动单元,完全可以达到理想中的控制效果。
图2:变频器加制动单元
对于变频器加装制动单元的情况,发电产生的能量不能回馈至电网而是就地消耗,所以还是会造成能量的浪费。但加装变频装置后,网侧功率因数大大提高(由原来的0.25~0.5提高到0.9以上),大大减小了供电视在电流,从而减轻了电网及变压器的负担,降低了线损,可省去大量的“增容”开支。CHV100内置的AVR功能可根据负载特性,智能调节输出。一方面可达到节能目的,同时还可以增加原油
产量。避免电网质量的下降,减小抽油机工作过程对电网的影响。此方式的缺点是必须解决制动电阻散热及寿命问题。
应用实例:
CHV100-055G-6在江汉油田游梁式抽油机上成功应用。
根据江汉油田采油工况,采用变频器加装制动单元对其部分油井抽油机进行变频节能改造。江汉油田原油稠度不大,负载率比较低。采用再生能量就地耗散方案方能达到预期效果。且制动电阻散热问题仅通过加装柜顶风扇便可顺利解决。
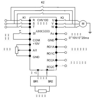
其接线图如图3所示:
图3:接线图(制动单元耗能方式)
配置表
主要参数表
上述电路接线图可实现工变频转换,其中K1与K2互锁。K1与K3导通,变频运行;K2导通工频运行。制动率由制动单元控制板拨码开关确定。
该套系统经过调试,运行正常,经检测,网侧功率因素有大幅提高。跟踪后期使用情况,与无变频时比较,节能约30%左右。符合预期。
(3)变频改造,加装能量回馈单元。
制动电阻的散热寿命问题及节能效果不理想成为方案(2)实际应用中的技术瓶颈。针对上述情况,为实现节能优化,提高效率,可以采用变频器加装能量回馈装置方案,将再生能量回馈给电网。
所谓能量回馈装置,其实就是一台有源逆变器。按采用的功率开关器件的不同又可以分为晶闸管(SCR)有源逆变器及绝缘栅双极型晶体管(IGBT)逆变器两种,它们的共同特点是可以将变频器直流回路的电压反馈到电网,如下图3所示。
图3:变频器加能量回馈单元
加装能量回馈单元的变频器适用于交流50HZ,额定电压380V或660V的异步电动机和永磁同步电动机,实现软起动,软停车及过程调速控制功能。其具备起动电流小、速度平稳、性能可靠、对电网冲击小等优点,避免对电动机、变速箱、抽油机造成机械冲击,大大延长设备的使用寿命,减少停产时间,提高了生产效率,提高了电网质量。



